주한미육군사령부, 일일정보보고

일본군의 무기 및 장비 현황

G-2 Weekly Summary
1945-09-16 – 1945-09-23 · 보고일 1945-09-25 주한미육군사령부 HQ USAFIK
스캔 원본
100%
p.373
p.373
p.374
p.374
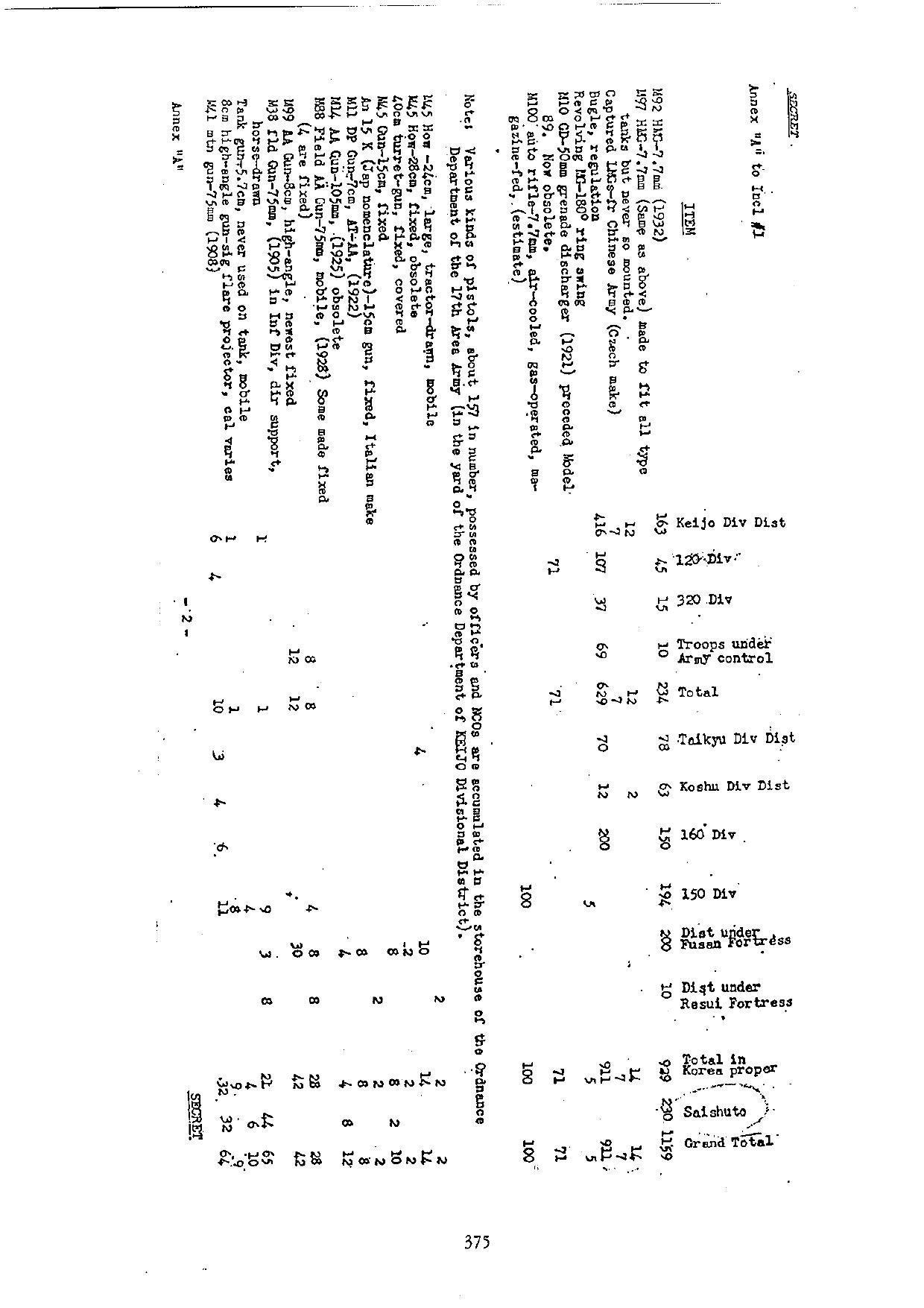
p.375
p.375
p.376
p.376
p.377
p.377
p.378
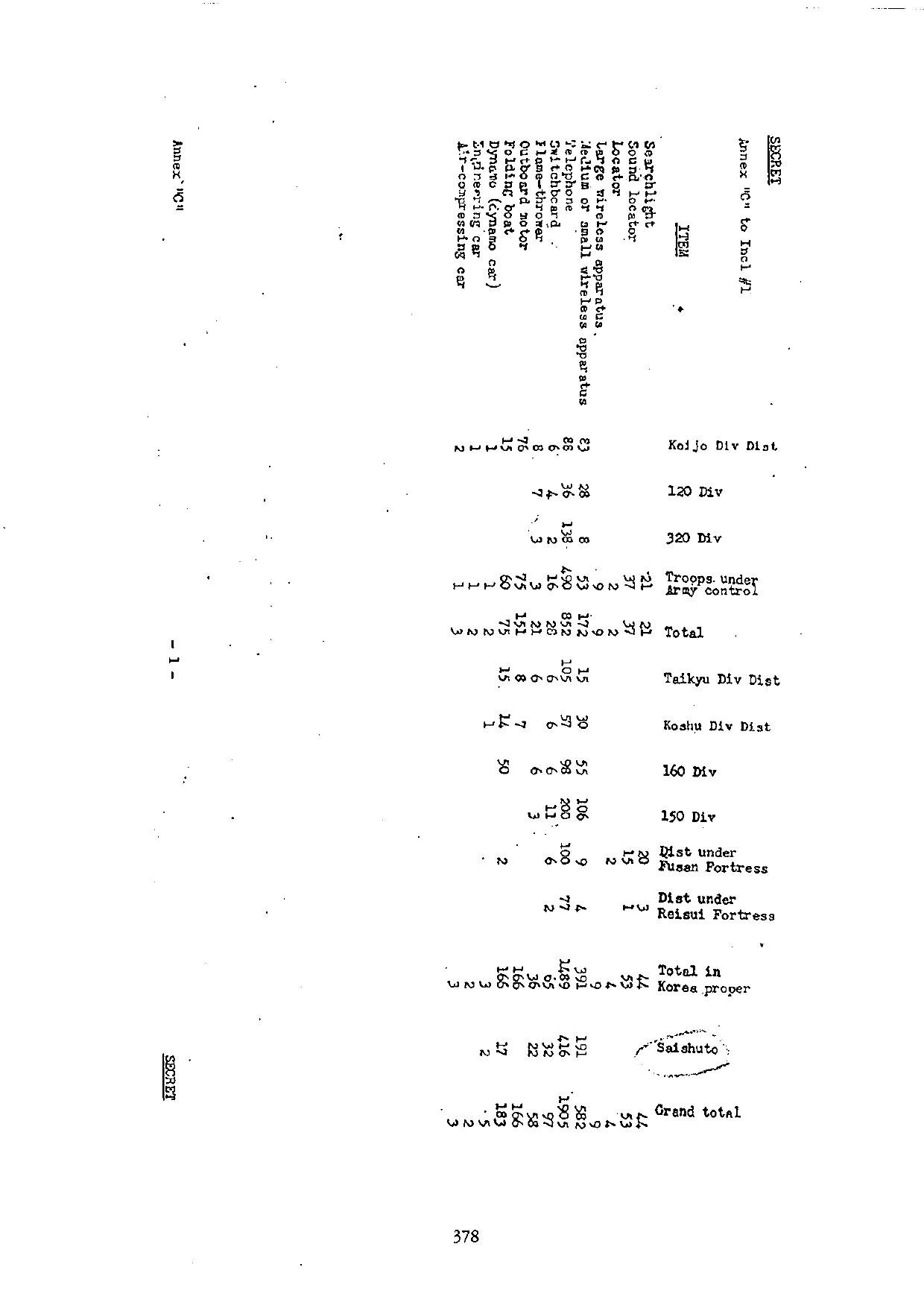
p.378
일본군의 무기 및 장비 현황 다음은 1945년 8월 31일 현재 일본군 제17방면군의 무기와 차량, 장갑 장비 및 말이 견인하는 장비, 특수 장비 및 탄약 등의 양과 배치 지역을 보여주는 도표이다. (원 자료에는 남한에 주둔했던 일본군 전체의 무기 및 장비현황이 표기되어 있다. 그러나 여기서는 제주도에 배치된 무기와 장비만을 우리말로 옮겼다 : 역주) <표1> 무기의 양과 배치 지역 종 류 제주도 M95 군도 - 33인치. 손잡이 평이 700 M30 총검 - 15½인치. 평이, 정규 지급품(M38과 M99 소총용) 28,600 M99 소총 - 7.7㎜(1939년 형). M38 소총에서 개량 17,049 M89 유탄발사기 - (1929년 형). 50㎜ 유탄발사기(무릎 박격포) 728 M99 경기관총 - 7.7㎜(1939년 형). 체코 무기를 개량 650 M92 중기관총 - 7.7㎜(1932년 형) 230 M45 고정포 - 15㎝. 고정식 2 M14 대공포 - 105㎜(1925년 형). 구형 8 M38 야포 - 75㎜(1905년 형). 보병사단에서 사용, 말 견인식 44 전차포 - 5.7㎝, 전차에 사용된 적 없음. 이동식 6 M41 산포(山砲) - 75㎜(1908년 형) 32 M92 포 - 105㎜(1932년 형) 54 박격포(A형), 약 20㎝, 구형 16 8㎝ 박격포, 배에 장착 가능 30 M94 대전차포 - 37㎜(1934년 형). 대전차 중대에서 사용 13 M97 박격포 - 7㎝(포신 약 4인치) 12 M91 곡사포 - 105㎜(1931년 형). 말 견인식 29 M4 곡사포 - 15㎝. 말이 견인, 바퀴 달림 12 M1 대전차포 - 47㎜(1941년 형). 트럭 견인식 13 7㎝ 로켓포, 포병용, 바퀴 없음 139 20㎝ 로켓포, 포병용, 바퀴 없음 36 <표2> 차량과 장갑 장비 및 말이 견인하는 장비 등의 양과 배치 지역 종 류 제주도 4도어 세단, 6기통 31 오토바이, 사이드카 장착 3 사령관용 차 7 트럭(2톤) 314 경정비차량 - 보수장비 장착 6 M97 중형 전차 14 견인차(여러 형태) 12 M39 군 수송용 차량(cart), 400파운드 2,897 M38 군 수송용 차량(harness, draft) 1,824 M? 군 수송용 차량(harness, draft) 1,337 <표3> 특수 장비 종 류 제주도 중소규모 무선장비 191 전 화 기 416 교 환 대 32 조 명 탄 22 접는 보트 17 발전기(발전용 차) 2
No. 2 45. 9.16 ~ 45. 9.23 INCLOSURE #1, G-2 Summary #2 This inclosure consists of five annexes showing tables of numbers and locations of weapons, vehicles, armored and horse-drawn equipment, special equipment and ammunition of the Japanese 17th Area Army as of 31 August 1945. The annexes are as follows: Annex "A" - - - Table showing approximate numbers and locations of weapons. Annex "B" - - - Table showing approximate numbers and locations of vehicles, and armored and horse-drawn equipment. Annex "C" - - - Table of special equipment. Annex "D" - - - Table showing approximate numbers and locations by major unit of ammunition. Annex "E" - - - Table showing approximate numbers and locations of ammunition amassed for operation. SECRET Annex A to Incl #1 ITEM M32 Sabre-33" blade, thin metal bood on handle. M95 Sabre-33", handle plain. M13 Bayonet-11½" blade, w/guard, for rifle, modeled after German. M30 Bayonet-14¼" plain; regular issue. (fits 38 and 99 rifles) M4, Short Bayonet-Same as above but hand used only, will not fit rifle. M13 Rifle-6.5mm, for 13 Bayonet (German Schneider) M38 Rifle-6.5mm (1905) regular Jap issue. M38 Cav Rifle-6.5mm; same as above but shorter for Cav use. M44, Cav Rifle-6.5mm w/short 14¼" fixed folding bayo- net and belt (1911). M99 Rifle-7.7mm (1939); later development on 38 rifle. M97 Sniping Rifle-(1937) Telescopic sight on 38 rifle. Captured Rifles-Makes unknown. M26 Pistol-8mm revolver; obsolete. M14 Pistol-8mm automatic (1928) slightly smaller 094 Pistol-8mm automatic (1934) than 14; officers only. Foreign Pistols-Miscellaneous M89 GD(1929) 50mm Grenade Discharger (knee mortar). M10 Signal Pistol-Comparable to Very Pistol, about 1-3/4" diameter. M11 LMG-6.5mm (1922) M96 LMG-6.5mm (1936) Based on Czech weapon. M99 LMG-7.7mm (1939) Annex A Keijó Div Dist 120 Div 320 Div Troops under Army control Total Taikyu Div Dist Koshu Div Dist 160 Div 150 Div Dist under Fusan Fortress Dist under Reisui Fortress Total in Korea Proper Saishuto Grand Total 622 82 811 11 415 830 830 713 41 70 37 860 112 219 293 135 2036 700 2736 4 62 74 120 374 374 74 300 8 28632 5602 3361 312 40607 11283 7005 4788 11989 7937 988 8497 28600 11279 1800 4302 4302 4920 150 7 255 255 1199 1682 13 6 6756 6756 542 548 8 30979 2434 2083 2421 37317 9133 5168 6195 7609 7540 360 76422 17049 93291 53 53 53 53 74 1 86 7 4 196 51 612 19 93 15 19 34 57 64 84 1 47 132 51 183 183 202 94 100 3 377 154 367 249 5 1665 728 2393 6 6 17 6 6 16 16 65 16 16 51 51 51 51 150 11 41 331 840 1450 159 273 151 3 650 1 52per 1840 1840 60 99 595 22 110 424 433 52 27 287 287 93 1221 1221 548 548 SECRET Annex "A" to incl #1 ITEM M92 HMG-7.7mm (1932) M97 HMG-7.7mm (Same as above) made to fit all type tanks but never so mounted. Captured LMG-tr Chinese Army (Czech make) Bugle, regulation Revolving M-1800 M10 Cm-50mm grenade discharger (1921) preceded Model M89 Now obsolete. auto rifle-7.7mm, air-cooled, gas-operated, mo- M100 gaine-fed. (estimate) Note: Various kinds of pistols, about 157 in number, possessed by officers and NCOs are accumulated in the storehouse of the Ordnance Department of the 17th Area Army (in the yard of the Ordnance Department of KEIJO Divisional District). M45 How -24cm, large, tractor-drawn, mobile M45 How-28cm, fixed, obsolete 40cm turret-gun, fixed, covered M45 Gun-15cm, fixed An 15 K (gap nomenclature)-15cm gun, fixed, Italian make M21 DY Gun-7cm, AT-AA, (1922) M14 AA Gun-10.5mm, (1925) obsolete M88 Fld AA Gun-7.5cm, mobile, (1928) Some made fixed M99 (4 are fixed) M99 AA Gun-8cm, high-angle, newest fixed M38 Fld Gun-75mm, (1905) in Inf Div, dir support, horse-drawn Tank gun-5.7cm, never used on tank, mobile 8cm high-angle gun-sig flare projector, cal varies M41 mtn gun-75mm (1908) Annex "A" Keijo Div Dist | 163 120 Div | 45 320 Div | 15 Troops under Army control | 10 Total | 234 Taikyu Div Dist | 78 Koshu Div Dist | 6 160 Div | 150 150 Div | 194 Dist under Fusan Fortress | 28 Dist under Resui Fortress | 10 Total in Korea proper | 929 Saishuto | 230 Grand Total | 1159 [Table columns from left to right, with values aligned to respective row headers - multiple numeric columns present with values:] 163 | 45 | 15 | 10 | 234 | 78 | 6 | 150 | 194 | 28 | 10 | 929 | 230 | 1159 6 1 | | | 12 8 | 10 1 | 1 12 8 | 3 | | 4 | | 4 | 6 | | 128 4 9 | 4 | 3 30 | 8 | 8 | | 8 | 32 4 42 | 32 6 4 | 8.0 55 | 42 28 | 12 8 2 8 2 | 14 2 416 | 107 | 37 | 69 | 629 | 70 | 12 | 200 | 100 | | | 911 | 911 | 911 12 7 | | | | 12 7 | | 2 | | 5 | | | 14 14 | 14 7 | 14 7 71 | 71 | 70 | 100 | 71 | 100 | 71 100 | 100 SECRET SECRET Annex "A" to Incl /1 ITEM M92 gun-105mm (1932) Arty mortar (A-type), approx 20cm, obsolete. M9 arty mortar-approx 9cm, obsolete. 8cm Mortar, can be emplaced on ship. M94 AT Gun-37mm (1924) in AT Co. M97 Mortar-7 cm (barrel approx 4') H99 Mortar-7 cm (1939), better sighting mechanism H95 fld gun-(1935) 75mm, horse-drawn M91 how-105mm, (1931), horse-drawn. Mk how-15cm, horse-drawn. Machine Cannon, 25mm, 20-round clip M1 AT gun-47mm, (1941), truck-drawn H98 AA gun-20mm, truck-drawn 7cm gun-cop. or Russian field gun 30cm how 7cm rocket gun, arty piece, no wheels 20cm rocket gun, arty piece, no wheels Annex "A" | | Keijo Div Dist | 120 Div | 320 Div | Troops under Army control | Total | Taikyu Div Dist | Koshu Div Dist | 160 Div | 150 Div | Dist under Fusan Fortress | Dist under Reisui Fortress | Total in Korea proper | Saichuto | Grand total | |---|---|---|---|---|---|---|---|---|---|---|---|---|---|---| | | 13 | 12 | | | 25 | 2 | 6 | | 45 | | | 3 | 52 | 52 | | | 1 | 8 | 3 | | 1 | 4 | 3 | 6 | 7 | 4 | | 1 | 36 | 36 | | | 2 | 4 | 1 | | 2 | 3 | 5 | | 6 | | | 2 | 139 | 139 | | | 3 | | | | 10 | 6 | | 11 | | | | 5 | 12 | | | | 6 | | | | 12 | | | 8 | | | | 2 | 29 | | | | 12 | | | | 12 | | 4 | | 18 | | | 12 | | | | | 5 | | | | 1 | 3 | | | 12 | | | | 30 | | | | | | | | | | | | | | | | 33 | | | | | | | | | | | | | | | | | | SECRET SECRET Annex "B" to Incl #1 ITEM 4-door sedan, 6 cyl motorcycle w/sidecar Command car Truck, 2-ton Light repair car-carries maintenance equipment. Light engr car Truck, repair shop, small Motor-bus Tricycle, (3-wheel motorcycle) Discarded truck-brokendown Discarded car-brokendown Truck, repair shop, large H97 Medium Tank H95 Light Tank Tractors (of various types) H39 Army transport cart, 400 lb. M38 Army transport cart, 400 lb. M36 Army transport cart, 400 lb.) Meel-size varies. H35 Army transport harness, draft HT Army transport harness, draft Annex "B" Keijo Div Dist 13 - 5 - 17 120 Div 4 - - - N 8 N 320 Div 3 - - - N ' 19 - Troops under Army Control 62 - - - N - 63 N Total 83 - N 5 N - N 4 - - - 5 - - - - N 589 0 6 N 83 Taikyu Div Dist N - 32 - - 3 - - 317 567 Koshu Div Dist 4 - 32 - N - - 181 74 160 Div 9 N 108 N 7 - 940 1051 150 Div 6 N 115 3 - - 998 814 34 242 Dist under Fusan Fortress 5 N ' 72 - 10 - 5 12 Dist under Reisui Fortress 3 - N - - - - - Total in Korea proper 11 - 12 - 96 - 8 29 . N 5 N 4 - - - - 7 5346 255 5598 80 600 17 Saishuto 31 - - - - - 1824 2897 12 14 6 - - 3 51 1337 Grand total 12 15 - - - - 1264 8243 32 21 - - 5 N N 4 29 15 255 17 7422 - 1937 SECRET SECRET Annex "o" to incl #1 ITEM Searchlight Sound locator Locator Large wireless apparatus Medium or small wireless apparatus Telephone Switchboard Flame-thrower Outboard motor Folding boat Dynamo (dynamo car) Engineering car Air-compressing car Annex "o" | | Koijo Div Dist | 120 Div | 320 Div | Troops under Army control | Total | Taikyu Div Dist | Koshu Div Dist | 160 Div | 150 Div | Dist under Fusan Fortress | Dist under Reisui Fortress | Total in Korea proper | Saishuto | Grand total | |---|---|---|---|---|---|---|---|---|---|---|---|---|---|---| | 2 1 1 15 76 8 6 83 | 7 4 36 28 | 3 2 138 8 | 1 1 1 8 75 3 56 53 6 2 34 12 | 3 2 2 75 151 22 85 22 8 6 2 34 12 | 5 8 6 6 105 15 | 1 7 7 | 6 53 30 | 8 | 6 6 8 55 | 3 12 28 106 | 2 | 6 8 6 2 58 | 2 74 | 1 3 | | | | | | | | | | | | | | 3 2 3 166 166 96 95 69 391 489 30 6 1 53 4 | 2 17 22 32 176 191 | 3 2 5 183 166 95 92 388 6 1 55 53 4 | SECRET
출처: 제주4·3사건진상규명및희생자명예회복위원회 편, 『제주4·3사건자료집 7』 [미국자료편], 번역문 p.134 / 원문 p.373–378 / No. 2.