주한미육군사령부, 일일정보보고

제주도 주둔 일본군 병력 배치 현황

G-2 Weekly Summary
1945-09-30 – 1945-10-07 · 보고일 1945-10-09 주한미육군사령부 HQ USAFIK
스캔 원본
100%
p.380
p.380
p.381
p.381
p.382
p.382
p.383
p.383
p.384
p.384
p.385
p.385
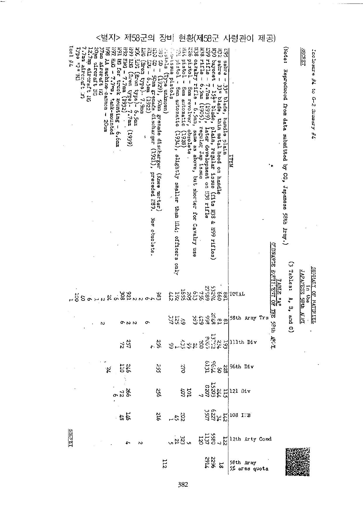
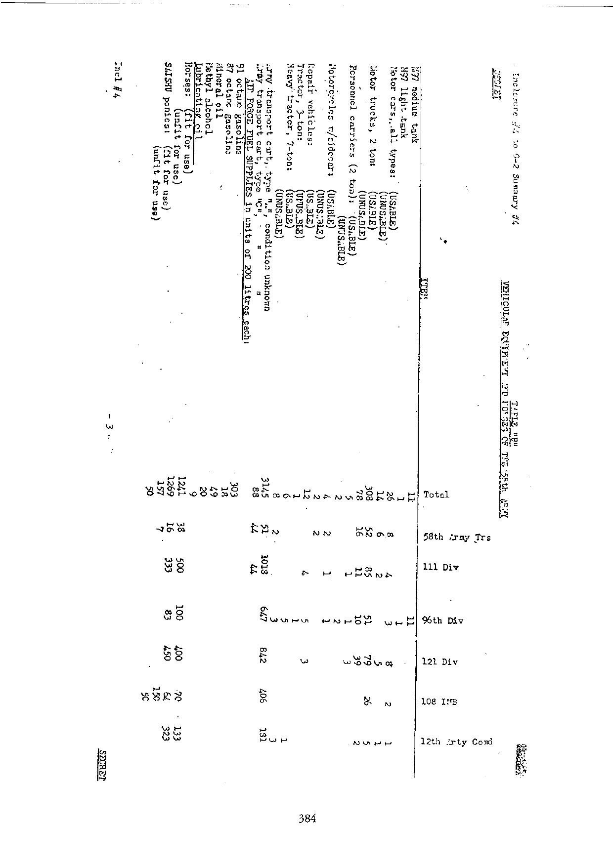
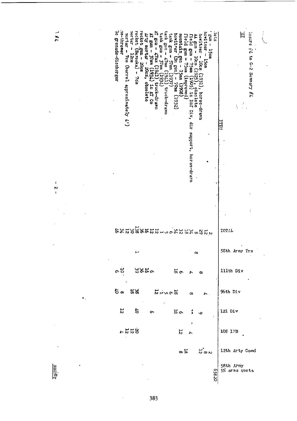
제주도 주둔 일본군 병력 배치 현황 (이 표는 한국과 일본, 제주도의 병원에 입원한 환자뿐 아니라 파견근무, 학교 등에서 근무하는 병력까지 포함하고 있다 : 역주) 부 대 장교 하사관 사병 전체 제58군 직할부대 제58군사령부 57 79 141 277 전신 제11연대 23 92 679 794 제1특설근무대(특설근무대제4~제13중대) 13 135 307 455 제64 병참병원 25 31 99 155 지구(제58군) 건축근무대 6 13 - 19 일본대본영 전신부대 예하의 1개 부대 2 7 38 47 해주병참부 제4이동병참 수리대 2 1 54 57 제5항공군 : 27 87 551 665 제24항공정보통신대, 1개 분대 - 제57비행장대대 - 제247비행장대대 - 제14대공무선대, 1개 분대 - 제4기상연대, 1개 소대 - 제8항측원조연대, 1개 분대 - 서부항로부, 1개 부대 - 제96사단 및 예하 부대 제96사단 324 1,389 6,740 8,453 독립대전차 제32대대 16 56 381 453 독립전차 제14중대(원래 제12전차연대 소속) 9 46 65 120 독립공병 제126대대 18 20 36 74 독립고사포 제59중대 4 6 25 35 독립고사포 제60중대 3 4 25 32 특설육상근무 제110중대 2 3 23 28 제3 독립작정(作井)소대 1 7 16 24 제111사단 및 예하 부대 제111사단 414 1,574 9,791 11,779 독립박격포 제23대대 4 71 559 644 로켓포 제1대대 26 115 691 832 독립공병 제127대대 17 32 49 98 제1독립작정(作井)소대 1 7 21 29 제37(원래 제36) 항공정보대, 1개 부대 9 8 35 52 제121사단 512 1,618 12,988 15,118 독립혼성 제108여단 및 예하 부대 독립혼성 제108 여단 224 672 5,102 5,998 독립치중병(輜重兵) 제65 대대 7 30 362 399 독립자동차 제300 중대 4 20 87 111 제2 독립작정(作井) 소대 1 8 20 29 제12 포병사령부 및 예하 부대 제12 포병사령부 11 13 34 58 독립야포병 제6 연대 64 100 466 630 독립산포병 제20 연대 74 116 733 923 박격포 제29 대대 20 42 167 229 야전중(中)포병 제15 연대 29 114 757 900 독립중(重)포병 제9 중대(이전 여수) 5 11 43 59 헌병 헌병 파견대 2 14 26 42 보조 헌병(보병사단에 파견 근무) 11 34 246 291 제58군 전체 병력 1,966 6,541 41,112 49,619 1. 제주도 주둔 제58군의 병력 현황 2. 제58군은 1945년 8월 15일 이후 무장해제됐다. 특설경비 제405 중대 특설경비 제408 병대 이들 부대는 모두 한국인으로 구성됐다. 3. 제58군 병력의 무장해제 현황 아래 표는 제58군에 배속되었던 모든 한국인과 한국에 집이 있는 일본군 병사 모두를 포함하고 있다. 이들의 무장해제는 8월 15일 이후 진행되어 왔다. 부 대 장 교 하사관 사병 전체 일본인 한국인 일본인 한국인 제58군 29 - 1,145 6,816 7,990 제12 포병사령부 16 2 2,448 1,777 4,243 제96사단 37 6 1,331 1,054 2,428 제111사단 6 - 152 1,170 1,328 제121사단 15 - 10 660 685 독립혼성 제108 여단 10 1 78 398 487 총 계 113 9 5,164 1,1875 17,161 <별지> 제58군의 장비 현황(제58군 사령관이 제공) 종 류 총계 제58군 제111사단 제96사단 제121사단 108 여단 제12포병사령부 제58군 5% 무기할당 M95 군도-33인치, 손잡이 평이 881 81 193 228 115 142 122 M32 군도-손잡이에 얇은 금속제 덮개가 달려 있음 660 81 234 60 244 34 7 18 M30 총검-15½인치. 평이, 보통 크기(M38과 M99 소총용) 53,294 2,848 13,792 9,644 15,203 6,227 5,580 2,296 M99 소총-7.7㎜(1939년 형). M38 소총에서 개량 27,989 998 8,009 6,131 8,207 3,507 1,137 2,914 M38 소총-6.5mm(1905년 형), 일본군 정규 지급품 756 429 200 7 120 1. 제58군의 무기 보유 현황 1) 무기 종 류 총계 제58군 제111사단 제96사단 제121사단 108 여단 제12포병사령부 제58군 5% 무기할당 M38 기병 소총-위와 같음, 기병용은 더 짧음 613 589 24 M26 권총-8mm 연발권총, 구형 205 99 101 5 M14 권총-8mm 자동(1926년 형) 1,686 49 435 270 407 202 323 M94 권총-8mm 자동(1934년 형), M14보다 조금 작음. 장교용 192 125 1 45 21 미지급 권총 442 337 99 1 5 권총(형태 미상) 112 M89 유탄발사기-(1929년 형), 50mm (무릎 박격포) 983 256 255 256 216 M10 유탄발사기-50mm(1921년 형), M89는 M10을 개량한 것, 현재 구형 4 4 M11 경기관총-6.5mm(1922년 형) 6 6 경기관총(브렌 형)-7.9mm 2 2 M96 경기관총(브렌 형)-6.5mm 2 2 M99 경기관총(브렌 형)-7.7mm(1939년 형) 921 2 257 246 266 146 4 M92 중기관총-7.7mm(1932년 형) 308 6 72 110 72 48 M91 기관총-트럭에 설치, 6.6mm 6 6 M97 중기관총-7.7mm, 탱크에 설치 24 24 M98 고사기관포-20mm 2 2 37mm 항공기용 기관총 1 20mm 항공기용 기관총 6 12.7mm 항공기용 기관총 40 7.7mm 항공기용 기관총 100 ‘P'형 기관총 1 총탄 65,820 M89 포-15cm 2 2 M4 유탄포-15cm 12 4 8 M91 유탄포-10cm(1931년 형), 말 견인식 29 8 9 12 M14 고사포-10cm(1925년 형). 구형 8 8 M38 야포-75mm(1905년 형), 보병 사단용, 직접 지원, 말이 견인 34 4 8 18 4 M38 야포-75mm(개량됨) 18 18 M41 산포(山砲)-75mm(1908년 형) 32 6 6 12 8 M92 유탄포(대대포)-70mm (1932년 형) 54 18 18 18 M97 전차포-57mm(1937년 형) 6 6 M1 전차포-47mm(1941년 형), 트럭이 견인 5 5 M94 전차포-37mm(1934년 형) 1 1 M1 자동포-47mm(1941년 형), 트럭이 견인 12 12 M94 자동포-37mm(1934년 형), 대전차 중대용 12 6 6 M98 박격포-20cm, 구형 16 16 M4 로켓포-20cm 36 36 M4 로켓포(바주카포)-7cm 138 1 39 38 40 20 M2 박격포-12cm 30 18 12 M97 박격포-7cm(포신 약 4인치) 12 12 조명탄 34 10 8 12 4 소총 장착형 유탄발사기 46 6 40 2) 탄약 종 류 총계 제58군 제111사단 제96사단 제121사단 제108여단 제12 포병사령부 M97 중형전차 11 11 M97 경전차 1 1 차량, 여러 형태 : (사용 가능) 26 8 4 3 8 2 1 (사용 불가) 14 6 2 5 1 트럭(2톤) : (사용 가능) 308 52 85 51 79 26 5 (사용 불가) 78 16 11 10 39 2 요원 수송 차량(2톤) : (사용 가능) 5 1 1 3 (사용 불가) 2 2 오토바이, 사이드카 장착 : (사용 가능) 4 2 1 1 (사용 불가) 2 2 정비차량 : (사용 가능) 12 4 5 3 견인차(3톤) : (사용 불가) 1 1 중형 견인차(7톤) : (사용 가능) 6 5 1 (사용 불가) 8 2 3 3 군 수송용 차량, ‘A’형, 차량 상태 모름 3,145 51 1,018 647 842 406 181 군 수송용 차량, ‘C’형, 차량 상태 모름 88 44 44 공군의 연료 보유량(단위 200리터) : 휘발유, 옥탄가 91 303 휘발유, 옥탄가 87 18 광유(鑛油) 49 메틸알콜 20 윤활유 9 말 : (이용 가능) 1,241 38 500 100 400 70 133 (이용 뷸가) 1,269 16 333 83 450 64 323 제주도 조랑말 : (이용 가능) 157 7 150 (이용 불가) 50 50 2. 제58군의 차량 장비 및 군마 보유 현황 제주도 헌병 현황* 제주경찰서 보유 장비 현황 총계 헌병 보조 헌병 총계 제주 본서 조천 성산포 우도 남원 서귀포 중문 모슬포 고산 애월 자동소총 1 1 소 총 30 30 161 120 4 8 3 3 2 3 11 4 3 연발권총 325 42 283 20 17 1 1 1 군 도 46 34 12** 116 총 검 279 8 271 33 경기관총 9 7 1 1 무릎박격포 175 3 수류탄 175 175 자동소총탄 1,000 1,000 연발권총탄 6,908 1,248 5,660 1,553 1,491 12 50 소총탄 2,610 2,610 총 탄 51200 44200 300 1,710 300 300 1,450 300 2,040 300 300 조명탄 20 20 트 럭 2 2 사이드카 1 1 3. 제주도 주둔 경찰의 무기, 탄약 및 차량 보유 현황 * 사단에서 차출된 보조헌병들이 사용했던 연발권총 283정과 총검 271개, 연발권총탄 5,660발은 각 사단에서 보급됐으며, 제96사단과 제121사단을 제외한 각 사단의 무기와 탄약의 총계에 포함된다. ** 장교와 하사관의 사제(私製) 군도다.
No.4 45.9.30~10.7 SECRET Incl #1 to G-2 Summary #4. ORDER OF BATTLE ON SAISHU-TO 1. Unit Strengths in the 58th Army on Saishu-To. Unit Officer NCO Pvt Total Troops under direct control of 58 Army: 58 Army Headquarters 67 79 141 277 11 Signal Regt 23 92 679 794 1 Spec Duty Unit (4 - 13 Spec Duty Cos) 13 135 307 465 64 L of C Hospital 25 31 99 155 CHIKU Construction Unit 6 13 - 19 Unit of Grand Imp Hqs Army Sig Unit 2 7 38 47 4 Mobile Ord Repair Unit of HEIJO Ord Dep 2 1 54 57 5 Air Army personnel: 27 ·.87 551 665 24 Air Intell Sig Unit, 1 Sect 57 Airfld Bn 247 Airfld Bn 14 Ground-Air Radio Unit, 1 Sect 4 Meteorological Regt, 1 Plat 8 Navigation Aid Regt, 1 Sect Western Air Route Sector, 1 part 96 Division and attached units: 96 Division 324 1389 6740 8453 32 Ind AT Bn 16 56 381 453 14 Ind Tank Co (originally part 12 Tk Regt) 9 46 65 120 126 Ind Engr Bn 18 20 36 74 69 Ind AA Co (These two Cos formed from 4 6 25 35 60 Ind AA Co 151st AAA Regt personnel.) 3 4 25 32 110 Spec Land Duty Co 2 3 23 28 3 Ind Well Drilling Plat 11 7 16 24 111 Division and attached units: 111 Division 414 1574 9791 11779 23 Ind Arty Mortar Bn 4 71 559 644 1 Rocket-Gun Bn 26 .115 691 832 127 Ind Engr Bn 17 32 49 98 1 Ind Well Drilling Plat 1 7 21 29 37 (originally 36) Air Intell Unit, 1 unit 9 8 35 52 121 Division: 512 1618 12988 16118 108 IKB and attached units: 108 IKB 224 672 5102 6998 65 Ind MT Co 7 30 362 399 300 Ind MT Co 4 20 87 111 2 Ind Well Drilling Plat 1 8 20 29 12 Arty Command and attached units: 12 Arty Command 11 13 34 58 6 Ind FA Regt 64 100· 466 630 20 Ind Htn Arty Regt 74 116 733 923 29 Mortar Bn 20 42 167 229 15 Med Arty Regt 29 114 757 1900 9 (formerly REISUI) Ind Hvy Arty Co 5 11 43 59 MPs: MP Detachment 2 14 26 42 Supplementary gendarmes (on detached duty from Infantry Divisions) 11 34 246 291 Total Strength for 58th Army 1966 6541 41112 49619 NOTE: - This list includes personnel on detached service, at school, etc, as well as patients in hospital, on SAISHU, in KOREA, and in JAPAN. 2. 58th Army Units Demobilized Since 15 August 1945. 405 Special Garrison Company 408 Special Garrison Engineer Unit Both units were composed entirely of Korean personnel. 3. Table of Demobilized Personnel of 58th Army. This table includes all Koreans formerly assigned to 58th Army plus those Japanese soldiers whose homes are in KOREA. Their demobilization took place after 15 August. Unit Officer NCO Private Total Jap Korean Japanese Korean 58 Army 29 - 1145 6816 7990 12 Arty Command 16 2 2448 11777 4243 96 Division 37 6 1331 1054 2428 111 Division 6 - 152 1170 1328 121 Division 15 - 10 660 685 108 Ind Mxd Bde 10 1 78 398 487 Total 113 9 5164 11875 17161 <별지> 제58군의 장비 현황(제58군 사령관이 제공) Inclosure #4 to G-2 Summary #4 SECRET (Note: Reproduced from data submitted by CG, Japanese 58th Army.) SUMMARY OF MATERIEL JAPANESE 58th ARMY (3 Tables: A, B, and C) TABLE "A" O'DNANCE EQUIPMENT OF THE 58th ARMY ITEM TOTAL 58th Army Trs 111th Div 96th Div 121 Div 103 I:B 12th Arty Comd 58th Army 5% arms quota #95 sabre - 33" blade, handle plain 881 81 193 228 115 142 122 18 #32 sabre - 33" blade, thin metal hood on handle 660 81 224 50 244 34 72 M50 bayonet - 12.5" blade, plain, regular issue (fits M38 & M99 rifles) 53264 2848 1372 664 15203 6227 5580 2296 #99 rifle - 7.7mm (1939), later development on M38 rifle 27589 938 863 631 6307 3507 1137 2914 #38 rifle - 6.5mm (1905), regular Jap issue 756 429 267 7 120 #38 cavalry rifle - 6.5mm, same as above, but shorter for Cavalry use 613 #26 pistol - 8mm revolver, obsolete 205 49 45 770 101 202 5 #14 pistol - 8mm automatic (1926) 1685 125 135 407 45 323 ..32 pistol - 8mm automatic (1932) 192 91 1 21 ..-issue pistols 412 257 97 5 :::-issue pistols (type unknown) sals - (type unknown) #89 CD - 50mm grenade discharger (knee mortar) 383 6 235 255 256 216 112 #10 [Gren type] - 50mm grenade discharger (1921), preceded M89. Now obsolete. 4 4 #100 [Gren type] - 6.5mm (1922) 2 #96 LMG (2ren type) - 7.7mm 6 #99 LMG (2ren type) - 7.7mm (1939) 2 2 #92 HMG for truck (1932) 2 #91 Hd for - 7.7mm (1932) - 6.5mm 922 2 #98 LMG - 7.7mm mounting - 6.6cm 5 6 #37 AA machinegun, tank-mounting 308 37mm aircraft-cannon - 6.6cm 24 2 20mm aircraft MG 2 12.7mm aircraft MG 6 7.7mm aircraft MG 40 type new aircraft 15 100 tcl #4 1 SECRET lccure #4 to G-2 Summary #4. EI ITEM lets gun - 15cm (1931), horse-drawn howitzer - 15cm howitzer - 10cm (1925), obsolete AA gun - 10cm in Inf Div, dir support, horse-drawn field gun - 75mm (1905) obsolete field gun - 75mm (improved) mountain gun - 75mm (1908) howitzer (bn gun) - 70mm (1932) tank gun - 57mm (1937) tank gun - 47mm (1941), truck-drawn AT gun - 47mm (1934) AT gun - 37mm (1941), truck-drawn Arty gun - 37mm (1924), in AT Co Arty mortar - 20cm, obsolete rocket gun - 20cm rocket (Bazooka) - 76cm mortar - 12cm mortar - Tea (barrel approximately 4') me-thrower le grenade-discharger TOTAL 58th Army Trs 111th Div 96th Div 121 Div 108 IMB 12th Arty Comd 58th Army 5% arms quota 6 1 6 24 10 8 12 4 12 12 30 39 18 40 12 138 36 38 20 36 16 16 6 6 12 12 12 1 1 5 5 6 6 54 18 18 12 8 32 18 6 18 18 6 24 4 8 4 8 8 29 8 4 9 12 12 8 22 2 - 2 - SECRET 6,820 Inclosure #4 to G-2 Summary #4 VEHICULAR EQUIPMENT AND TOTAL OF THE 58th ARMY | TYPE | Total | 58th Army Trs | 111 Div | 96th Div | 121 Div | 108 I'B | 12th Arty Comd | |------|-------|---------------|---------|----------|---------|---------|----------------| SECRET 377 medium tank N57 light tank Motor cars, all types: (USABLE) (UNUSABLE) (US,BLE) motor trucks, 2 ton (UNUSABLE) (US,BLE) Personnel carriers (2 ton): (USABLE) (UNUSABLE) Motorcycles w/sidecar: (USABLE) (UNUSABLE) Repair vehicles: (US,BLE) (UNUS,BLE) Tractor, 3-ton: (US,BLE) (UNUS,BLE) Heavy tractor, 7-ton: (US,BLE) (UNUSABLE) Army transport cart, type "A", condition unknown Army transport cart, type "B", " All FORCE FUEL SUPPLIES in units of 200 litres each: 91 octane gasoline 87 octane gasoline Mineral oil Methyl alcohol Lubricating oil Horses: (fit for use) (unfit for use) SLASU ponies: (fit for use) (unfit for use) Incl #4 Total 11 26 14 308 78 5 2 4 2 12 1 6 8 3145 88 303 18 49 20 9 1269 1241 157 50 58th Army Trs 8 6 52 16 2 2 2 51 38 16 7 111 Div 4 2 85 11 1 4 1013 44 500 333 96th Div 11 1 3 51 10 1 2 1 5 1 3 647 100 83 121 Div 8 5 79 39 3 3 842 400 450 108 I'B 2 26 406 70 64 156 56 12th Arty Comd 1 5 2 1 3 131 133 323 - 3 - SECRET SECRET cl #4 # to G-2 Summary No 4. TABLE 10" ARMS, AMMUNITION AND VEHICLES OF SAISHU POLICE MATERIEL OF THE SAISHU POLICE STATION "SAISHU IP MATERIEL TOTAL IP ACTING IP TOTAL HQ SAISHU CHOTEN ZOSANO USHIJIN HANGHI SEIKIHO CHUSEN BOSHUPPO KOSAN GAIOETSU stic Rifles 1 1 161 120 1710 1450 11 4 3 s 30 30 283 20 8 3 2 3 1 vers 325 42 124* 116 17 4 1 s 46 34 33 1 ets 275 8 271 9 175 1 1 3 175 3 12 Mortars 175 175 50 Grenades 1000 1000 ts, Automatic Rifle 6908 1248 ts, Revolver 2610 2610 1553 1491 300 1710 300 300 1450 300 240 300 300 ts 5660 ts, Rifle 5660 s 51200 44200 20 .20 . Trucks 5 Cars 1 2 1 13 revolvers, 271 bayonets and 5660 revolver bullets used by acting IPs from division were supplied by their divisions, and are not included in the total of arms and ammunition of the divisions except in the case of the 96th and 121st Divisions. dicates private sabers of officers and non-commissioned officers. - 4 - SECRET
출처: 제주4·3사건진상규명및희생자명예회복위원회 편, 『제주4·3사건자료집 7』 [미국자료편], 번역문 p.23 / 원문 p.380–385 / No. 4.